Nehmen Sie einfach Kontakt mit uns auf. Sie können uns werktags zwischen 08:30 und 17:00 Uhr erreichen.
Hoe stel ik een PID-regeling in?
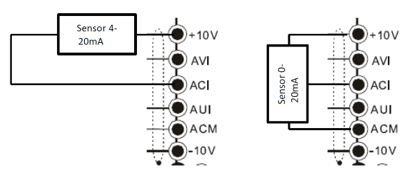
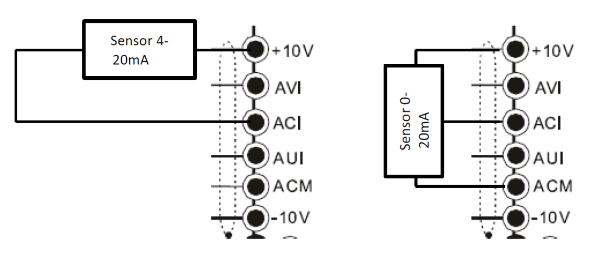
Beschrijving hoe de Delta C2000 in te stellen voor drukterugkoppeling met een 0-20 mA sensor. 0-40 Bar.
1. Aansluitingen sensor

2. Aansluiten start/stop signaal op FWD en DCM . brug van +24 V naar Com.

Parameter instelling :
00-00 9 reset naar 50 Hz.
00-04 12 diplay de waarde van de ACI ingang
00-21 1 start/stop via de klemmen
00-25 0161 uitlezing in BAR 1 cijfer achter de komma
00-26 0400 maximale instelling is 40.0 Bar.
01-12 naar believen acceleratie tijd ca 3 – 5 sec.
01-13 naar believen deceleratie tijd ca 3-5 sec
03-00 0 AVI geen functie
03-01 5 ACI is PID feedback
05-01 motor stroom van het type plaatje
06-27 1 thermische beveiliging in geschakeld voor standaard motor
08-00 1 PID negative feedback op analoge ingang
08-01 naar believen proportionele versterking hoger is sneller reageren bij afwijking
08-02 naar believen integratie tijd demping voor de terugkoppeling hoger is langere dempingstijd.
Zet de spanning op de regelaar en kijk eerst op het display . In de uitlezing voor F ziet u als het goed is een warde in Bar bij u zie u o of een waarde in %. Staat hier 0 en de sensor heeft wel druk dan is deze waarschijnlijk verkeerd om aangesloten. Gaat deze warde mee met de druk op de sensor dan weten we dat de sensor goed binnen komt.

Stel nu :
00-04 10 diplay de waarde van PID terug koppeling
U moet nu bij de uitlezing U ook weer een waarde zien echter tussen 0-40 Bar .
Als dat juist is dan werkt ook de PID terug koppeling. Laat nu de pomp draaien en kijk of de regeling goed reageert anders 08-01 en 08-02 aanpassen.