Nehmen Sie einfach Kontakt mit uns auf. Sie können uns werktags zwischen 08:30 und 17:00 Uhr erreichen.
Wie wird eine PID-Regelung eingestellt?
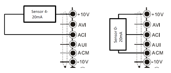
Beschreibung der Einstellung des Delta C2000 zur Druckrückkopplung mit einem 0–20-mA-Sensor. 0–40 Bar.
1. . Sensoranschlüsse

2. Anschluss des Start-/Stopp-Signals an FWD und DCM. Brücke von +24 V zu Com.

Parametereinstellung:
00-00 9 Rückstellung auf 50 Hz.
00-04 12 Das Display zeigt den Wert des ACI-Eingangs an.
00-21 1 Start/Stopp über die Klemmen
00-25 0161 Auslesung in bar mit 1 Nachkommastelle
00-26 0400 Maximaler Einstellwert beträgt 40,0 bar.
01-12 Beschleunigung nach Wunsch ca. 3–5 Sek.
01-13 Verzögerung nach Wunsch ca. 3–5 Sek.
03-00 0 AVI keine Funktion
03-01 5 ACI ist PID-Rückkopplung
05-01 Motorstrom gemäß Typenschild
06-27 1 Thermosicherung für Standardmotor eingeschaltet
08-00 1 PID negative Rückkopplung am Analogeingang
08-01 Proportionale Verstärkung nach Wunsch; je höher, desto schneller die Reaktion bei Abweichung
08-02 Integrationszeit (Dämpfung) für die Rückkopplung nach Wunsch; je höher, desto länger die Dämpfungszeit.
Die Spannung an den Umrichter anlegen und zunächst Display ablesen. Unter F sollte ein Wert in bar angezeigt werden; unter U erscheint 0 oder ein Wert in %. Falls hier 0 angezeigt wird und der Sensor Druck misst, wurde dieser wahrscheinlich falsch herum angeschlossen. Wenn sich der Wert mit dem Druck am Sensor mitbewegt, ist der Sensor korrekt angeschlossen.

Stellen Sie nun
00-04 10 am Display den Wert der PID-Rückkopplung ein.
Es sollte nun wieder ein Wert angezeigt werden, der 0–40 bar betragen sollte.
Wenn dies der Fall ist, funktioniert auch die PID-Rückkopplung ordnungsgemäß. Lassen Sie nun die Pumpe laufen und prüfen Sie, ob die Regelung korrekt reagiert; andernfalls müssen 08-01 und 08-02 angepasst werden.