Menu

Brauchen Sie Unterstützung oder Rat?

Nehmen Sie einfach Kontakt mit uns auf. Sie können uns werktags zwischen 08:30 und 17:00 Uhr erreichen.


  1. C2000+
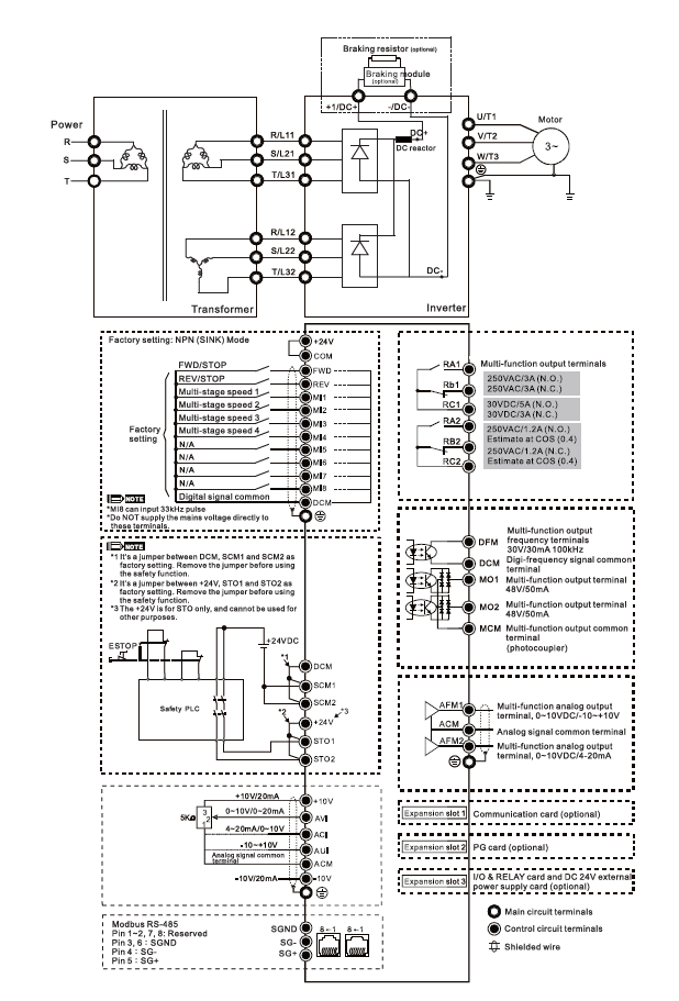
  2. Frequency inverter C2000+, 400 kW

Frequency inverter C2000+, 400 kW

Artikelnummer VFD4000C43A-00


Discover the power and versatility of this controller, designed for robust performance in a variety of applications.

More information
  • Power (KW): 400
  • Phase: 3~400
  • Current (Ampere): 770
  • IP rating: 00
  • Mains filter: Without
  • Sizes: 700mm x 1435mm x 398mm
  • STO: Yes

Specifications:

  • PID control

  • Torque boost control

  • Built-in mains filter up to 30 kW

  • Internal PLC with Modbus and CANopen, expandable with master slave

  • Lacquered PCBs for aggressive environments

  • Certifications: UL/CuL/CE


Downloads

Brochures, manuals and technical information.

Need assistance or advice?

Feel free to get in touch. We can be reached on weekdays between 08:30 and 17:00.


Compatible accessoires








Laden ...

Related products




IFD6503


IFD6500



VFD037EL43A

VFD022EL43A

VFD022EL21A

VFD015EL43A

Got a question?

Feel free to contact one of our specialists via Support